耐高温HRPK-12-30不锈钢两级跑偏开关接线饲料厂跑偏开关生产
由于产品型号众多,我司各种电气规格型号齐全,有任何需求可以与我公司销售人员联系,生产各种规格型号的跑偏开关、拉绳开关、倾斜开关、打滑开关、失速开关、溜槽堵塞开关、声光报警器、限位开关、磁性开关、撕裂开关、料流开关等产品,产品适用范围广,用途多,产品销售国内外100多个国家和地区,销售电话:15163766288(微信同号)
卓信牌两级跑偏开关HRPK-12-30直销质量保证规格齐全热销各大电厂
福建卓信发耐高温HRPK-12-30不锈钢两级跑偏开关接线
接线方法
该产品配有1.5米六芯橡套电缆,DDP-LJ2两级跑偏开关适用于皮带输送机,能使皮带输送机在皮带跑偏将导致严重挂边磨损甚至发生撕裂事故前就发出报警信号以及进一步的自动停车。
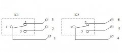
能及时有效的保护设备安全、避免事故扩大化,达到保障生产、保护设备的目的。另外由于信号可发送至控制系统,方便实现工厂自动化控制,因此又可达到减员增效,集中控制,利于生产与调度的目的。,芯线上配有标记号,用户可根据线号接线,其中:
1、2为跑偏常开接点;
1、3为跑偏常闭接点;
4、5为二级跑偏常开接点;
4、6为二级跑偏常闭接点;

上海荣现货订购耐高温HRPK-12-30不锈钢两级跑偏开关接线
技术参数
极限角度:70度
触点容量:AC380V
触点数量:两常开两常闭
可靠性:>10度
复位方式:自动
防护等级:IP65
重量:3.5Kg
跑偏开关带立辊是用于检测带式输送机输送带跑偏量的产品,对于输送带在出现跑偏的情况下起到自动和停机的一种保护装置。当运行中的胶带发生跑偏时,胶带边缘带动立辊旋转并挤压立辊倾斜大于动作角度时,立即发出组开关信号,如立辊继续倾斜大于二级动作角度时,则输出另一组开关信号,两组开关信号可分别用于告警或停机,胶带机恢复正常运行后,立辊自动复位。

山东卓信生产的
跑偏开关有两级角度,一般常用的是:角度为:10、12、20.二级角度为:30、35、45。基本原理是:当输送带运行中出现跑偏时,输送带触碰开关立辊并使立辊偏转,当立辊偏转角度达到1级开关角度时,开关发出信号。当输送带跑偏严重,达到2级开关角度时,开关发出停机信号,实现输送带跑偏故障自动停机。当跑偏故障排除后,胶带机正常运转时,开关立辊可自动复位,回到初始状态。
购买山东卓信产品请认准G/卓信商标,产品有防伪标示,请注意购买卓信zheng品,使用方便,两级跑偏开关通用的安装设计可使跑偏检测装置随意安装在输送机纵梁顶部或底部位置;封闭、防腐、坚固的铸铝外壳。防护标准IP65,可在恶劣环境长期工作;两级跑偏开关不需要在拆除动作杆下,即可拆掉盖板进行维修;进口动作杆轴承,可长时在转速4000转/分下运作;动作角度12°时报警触点动作,动作角度30°时,即为停机信号输出。,质量可靠。如有任何技术问题,请,跑偏开关起带式输送现场的保护作用,因此必须达到指定的IP防护等级。 两级跑偏开关分两个位置检测输送机皮带的跑偏程度和扭曲程度。根据皮带的跑偏程度和扭曲程度,实现自动报警和停机,避免昂贵的输送皮带受损坏及因皮带扭曲造成的物料散落等事故。此开关安装方便,运行可靠,是带式输送机必备的保护装置之一。,您的宝贵意见,就是我们品质的进步,产品的创新!山东卓信力创YI 流的品质,YI流的品牌,输送机在运行中,当皮带跑偏且与开关立辊接触时,立辊自转,若跑偏量继续加大,则挤压立辊发生偏移。一级开关信号用于报警,如果将此信号与跑调整装置相接,即可实现不停机状态下的跑偏自动调整。二级两级跑偏开关信号用于停机,将此信号接至控制线路中,即可实现重度跑偏状态下的自动停机。当故障排除后,胶带离开立辊正常运转时,立辊可自动复位。,为广大客户提供更的产品,的服务!请放心购买!
所有版权为山东卓信电气有限公司
两级跑偏开关HRPK-12-30
CILM-AS-LS-QS;料位开关
防撕裂装置ZL-B-2 1200、35皮带宽度1200MM,倾角35度220V
防撕裂装置ZL-B-2 800、45,皮带宽度800MM,倾角45度
料位开关阻旋式RS-03A/L270MM
防爆磁开关KSJ-100常开 KSJ-100防爆磁开关常闭,防爆限位开关LL4A-12
Ni25-G47-AZ3X接近开关
TR18-8AC AC二线制常闭接近开关
F1-A限位开关
ZR236-11Z-M20限位开关
RS-10限位开关
ALIF接近开关AL-20R
接近开关XS1-M18FA264
接近开关XS2M30MA250
接近开关Ni15-M30-AP6X
光电开关;E3JM-S70M4-G;220V
E3JK-R4M1光电开关
接近开关XS530B1AL2
![]() |









