FJK-PPXLN防爆两级跑偏开关防水跑偏开关生产
由于产品型号众多,我司各种电气规格型号齐全,有任何需求可以与我公司销售人员联系,生产各种规格型号的跑偏开关、拉绳开关、倾斜开关、打滑开关、失速开关、溜槽堵塞开关、声光报警器、限位开关、磁性开关、撕裂开关、料流开关等产品,产品适用范围广,用途多,产品销售国内外100多个国家和地区,销售电话:15163766288(微信同号)
FJK-PPXLN防爆两级跑偏开关基本原理
当输送带运行中出现跑偏时,输送带触碰开关立辊并使立辊偏转,当立辊偏转角度达到1级开关角度时,开关发出信号。当输送带跑偏严重,达到2级开关角度时,开关发出停机信号,实现输送带跑偏故障自动停机。当跑偏故障排除后,胶带机正常运转时,开关立辊可自动复位,跑偏开关(Belt Sway Switches)又称防偏开关。两级跑偏开关用于检测带式输送机运行中的跑偏现象,按皮带实际跑偏量输出报警或停机信号,可有效的防止由皮带跑偏而产生的事故。,回到初始状态。
FJK-PPXLN防爆两级跑偏开关产品简介
跑偏开关有两级角度,一般常用的是:角度为:10、12、20.二级角度为:30、35、45.
安装和调整1.跑偏开关设在输送带两侧,立辊应与输送带边平面垂直,并使输送带两边位于立辊高度1/3处。
2.跑偏开关立辊与输送带正常位置的间距宜为50~100mm。
3.跑偏开关数量应根据输送机长度、类型及布置情况进行确定。一般应在输送机头部、尾部、凸弧段、凹弧段和在输送机中间位置进行设置。(注:当输送机较长时,跑偏开关(Belt Sway Switches)又称防偏开关。两级跑偏开关用于检测带式输送机运行中的跑偏现象,按皮带实际跑偏量输出报警或停机信号,可有效的防止由皮带跑偏而产生的事故。,在输送机中间位置可每隔30~35米设1对)
4.跑偏开关应通过安装支架与输送机中间架连接,开关支架应在输送机安装完成后与输送机机架,跑偏开关与跑偏开关支架用螺栓固定。

1. 额定电压:AC380V
2.额定电流:
3. 触点数量:二组的常开、常闭接点
4.外壳防护级别:T型尘密外壳,防护等级IP67
5.周围环境温度:-25~80℃
6.开关能在频率为10-60Hz,振幅为0.75mm(10g)的振动条件下工作
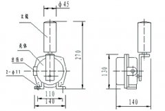
7.外形尺寸:壳体L×W×H(mm)190×135×100。
8.操作力:5~7㎏
9.通讯接口:RS485地址编码 联讯(对后缀BM的型号)
适用范围
两级跑偏开关用于常规皮带输送机:地下、索道支撑皮带输送机:轮船装卸系统;堆垛/取料输送机;倾斜和梭式输送机;起重机、挖掘机,输送机在运行中,当皮带跑偏且与开关立辊接触时,立辊自转,若跑偏量继续加大,则挤压立辊发生偏移。一级开关信号用于报警,如果将此信号与跑调整装置相接,即可实现不停机状态下的跑偏自动调整。二级两级跑偏开关信号用于停机,将此信号接至控制线路中,即可实现重度跑偏状态下的自动停机。当故障排除后,胶带离开立辊正常运转时,立辊可自动复位。,本系列跑偏开关具有两级动作功能。一级动作用于报警,二级动作用于自动停机。胶带机在运行中,当胶带跑偏且与本开关立辊接触时,立辊自转,若跑偏量继续加大,则挤压立辊发生偏移。 当立辊偏转角度超过12°时,一级开关动作,输出(报警信号)。 当立辊偏转角度超过30°时,二级开关动作,输出(停机信号)。 一级开关信号用于报警,如果将此信号与跑调整装置相接,即可实现不停机状态下的跑偏自动调整。 二级开关信号用于停机,将此信号接至控制线路中,即可实现重度跑偏状态下的自动停机。 当故障排除后,胶带离开立辊正常运转时,立辊可自动复位。 两级跑偏开关为了适应户外条件下长期使用,本产品均采用整体密封,内部金属零件进行镀锌纯化处理,外部零件除壳体外均做多层光亮镀铬,壳体为铸铝制造,表面采用静电喷涂技术处理,适宜在恶劣环境下使用。 两级跑偏开关采用铝合金精密压铸壳体、强度高、重量轻; 外壳防护等级达IP65, 密封性好,防水、防尘,可在恶劣环境中长期工作; 触点容量大、动作灵敏、可靠,起重臂限位:裙边给料机/输送机:重型极限开关检测胶带的跑偏量,是实现胶带机控制的自动和停机的保护装置。广泛用于冶金、煤炭、水泥建材、采矿、电力、港埠、冶金、化工等领域的各种带式输送设备。
接近开关LJA30-4015K-C24V-M
跑偏开关FJK-PPXLN C24V,1A
阀门反馈装置FJK-HXXLN1 AC220V 1A
TXC1-2RJ堵煤信号没控仪
NTS气动阀反馈装置 型号:NTS-140-85
跑偏开关XT-GF-KTB
粉尘防爆跑偏开关 型号:HFP-IP 额定电压:380V 额定电流3A 防爆标志:IPA20TAT6
极限保护器HQQ-8967XC
声光仪XT-C2QTL 380VAC
20V 双向 手动复位不锈钢拉绳开关材质304 型号HQLS-LXB-T1
拉绳开关;HFKLT2-Ⅱ皮带拉绳开关整改用;手动复位式拉绳开关;电压AC220V;三线制;带一常闭、常开辅点
拉绳开关ZX-LSPMIP65
TBA-2磁性开关
HFKLT2-I-Z双向拉绳开关
拉绳开关 TQ 441-01-01 380V 4A
HFKCT2-11双向拉绳开关
E50-30A2S、E50-30AJS、E50-R2B1S、E50-R2B2S、E50-R2B12S、E50-R2B3S、E50-R2B4S、E50-R2B34S、E50-R2A1S、E50-R2A2S、E50-R2AJS、E50-M5B1S、E50-M5B2S、E50-M5B12S
FKPT1-Ⅱ-Z 380V 10A (立辊)
带式输送机备件拉绳开关LXB-02GKK-T1-B
![]() |









