山西耐高温两级跑偏开关PLPZ新发煤矿用跑偏开关
由于产品型号众多,我司各种电气规格型号齐全,有任何需求可以与我公司销售人员联系,生产各种规格型号的跑偏开关、拉绳开关、倾斜开关、打滑开关、失速开关、溜槽堵塞开关、声光报警器、限位开关、磁性开关、撕裂开关、料流开关等产品,产品适用范围广,用途多,产品销售国内外100多个国家和地区,销售电话:15163766288(微信同号)
山西耐高温两级跑偏开关PLPZ新发
山西耐高温两级跑偏开关PLPZ新发皮带实际跑偏量输出或停机信号, 两级跑偏开关安装和调整 1.跑偏开关设在输送带两侧,立辊应与输送带边平面垂直,并使输送带两边位于立辊高度1/3处。 2.跑偏开关立辊与输送带正常位置的间距宜为50~100mm。 3.跑偏开关数量应根据输送机长度、类型及布置情况进行确定。两级跑偏开关一般应在输送机头部、尾部、凸弧段、凹弧段和在输送机中间位置进行设置。(注:当输送机较长时,在输送机中间位置可每隔30~35米设1对) 4.跑偏开关应通过安装支架与输送机中间架连接,开关支架应在输送机安装完成后与输送机机架焊接,跑偏开关与跑偏开关支架用螺栓固定。,可的防止由皮带跑偏而产生的事故。本系列跑偏开关具有两级动作功能。动作用于,二级动作用于自动停机。胶带机在运行中,当胶带跑偏且与本开关立辊接触时,输送机在运行中,当皮带跑偏且与开关立辊接触时,立辊自转,若跑偏量继续加大,则挤压立辊发生偏移。一级开关信号用于报警,如果将此信号与跑调整装置相接,即可实现不停机状态下的跑偏自动调整。二级两级跑偏开关信号用于停机,将此信号接至控制线路中,即可实现重度跑偏状态下的自动停机。当故障排除后,胶带离开立辊正常运转时,立辊可自动复位。,立辊自转, 两级跑偏开关安装和调整 1.跑偏开关设在输送带两侧,立辊应与输送带边平面垂直,并使输送带两边位于立辊高度1/3处。 2.跑偏开关立辊与输送带正常位置的间距宜为50~100mm。 3.跑偏开关数量应根据输送机长度、类型及布置情况进行确定。两级跑偏开关一般应在输送机头部、尾部、凸弧段、凹弧段和在输送机中间位置进行设置。(注:当输送机较长时,在输送机中间位置可每隔30~35米设1对) 4.跑偏开关应通过安装支架与输送机中间架连接,开关支架应在输送机安装完成后与输送机机架焊接,跑偏开关与跑偏开关支架用螺栓固定。,若跑偏量继续加大,则挤压立辊发生偏移。
订购咨询

山西耐高温两级跑偏开关PLPzui新发卓信牌跑偏开关质量可靠,性高
两极跑偏开关是输送带自动化中不可缺的产品。可以用于地下、索道支撑皮带输送机;轮船装卸系统;堆垛/取料输送机;倾斜和梭式输送机;起重机、挖掘机,跑偏开关起带式输送现场的保护作用,因此必须达到指定的IP防护等级。 两级跑偏开关分两个位置检测输送机皮带的跑偏程度和扭曲程度。根据皮带的跑偏程度和扭曲程度,实现自动报警和停机,避免昂贵的输送皮带受损坏及因皮带扭曲造成的物料散落等事故。此开关安装方便,运行可靠,是带式输送机必备的保护装置之一。,起重臂限位;裙边给料机/输送机;重型极限开关检测胶带的跑偏量,是实现胶带机控制的自动和停机的保护装置。
山西耐高温两级跑偏开关PLPzui新发技术指标
1. 额定电压:AC380V
2.额定电流:
3. 触点数量:二组的常开、常闭接点
4.外壳防护级别:T型尘密外壳,防护等级IP67
5.周围环境温度:-25~80℃
6.开关能在频率为10-60Hz,振幅为0.75mm(10g)的振动条件下工作
7.外形尺寸:壳体L×W×H(mm)190×135×100。
8.操作力:5~7㎏
9.通讯接口:RS485地址编码 联讯(对后缀BM的型号)

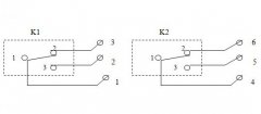
山西耐高温两级跑偏开关PLPzui新发接线方法
该产品配有1.5米六芯橡套电缆,芯线上配有标记号,用户可根据线号接线,其中:
1、2为跑偏常开接点;
1、3为跑偏常闭接点;
4、5为二级跑偏常开接点;
4、6为二级跑偏常闭接点;

结构特点说明:
通用的安装设计可使防偏开关随意安装在输送机纵梁顶部或底部
坚固的铸铝外壳,防护标准NEMA4,特殊的环境可选特殊的表面处理
整体式盖板易于接线及调整
不需拆除动作杆就可拆掉盖板
动作杆轴承额定转速5000转/分,适用皮带速度可达6.35米/秒
动作杆法向角调节范围为22.5⪚
法向夹角为10度时触点动作,法向夹角为之20度时停机触点动作。
我司从事生产各种开关、传感器、器、监测器、皮带输送装置控制柜等工控电器,直销,销售,质优价廉,且有大量现货,质量管理严格,zui新的技术创新以保证生产出zui的产品,良好的售前售后服务,交期准时,以服务顾客为宗旨,山东卓信科技合作订购!
SP304H 15W扬声器
ESPB-041打滑开关
磁性开关 CS1-F
磁性开关 BJQ-B
阻旋开关 ZYZ-20 AC220V 3W
电子打滑检测开关 H-Ⅲ(YGH-220)
磁性开关 SJ30-100AK
方形磁开关(铁)CJK-3C
接近开关IM18 08NS-ZC1(2线制)
打滑 BH-Ⅲ型
打滑开关 HY-BS2-B
接近开关 ZJK-1
接近开关 ZJK-2
接近开关 JKT03H-F00Y 70H 24V
接近开关J4-8 B2-T
拉绳开关 HFKLT2
拉绳开关 HYLSF2
跑偏开关 PL10-2
声光器 SG-L AC220V
事故开关 HFKLT2-Ⅱ
![]() |









