跑偏开关PP-EH/GS C:20-450V/10ADPP-EH/GS水泥厂跑偏开关供应
由于产品型号众多,我司各种电气规格型号齐全,有任何需求可以与我公司销售人员联系,生产各种规格型号的跑偏开关、拉绳开关、倾斜开关、打滑开关、失速开关、溜槽堵塞开关、声光报警器、限位开关、磁性开关、撕裂开关、料流开关等产品,产品适用范围广,用途多,产品销售国内外100多个国家和地区,销售电话:15163766288(微信同号)
跑偏开关PP-EH/GS C:20-450V/10A
跑偏开关PP-EH/GS C:20-450V/10A主要应用在冶金、电力、煤岩、矿山及化工等行业的输送系统中,是输送机自动化控制不可缺少的传感元件,本产品可用于输送机胶带跑偏的检测,本产品可用于输送机胶带跑偏的检测,防止由于胶带跑偏而造成物料溢出等故障。
本产品选用铝压铸处壳具有防水、防灰、防震等优点,安装方便、开关性能可靠,在输送机胶带中广泛应用。
用途:
两级跑偏保护功能,跑偏做警示信号可接入自动调整装置,用于校正胶带的偏离和扭曲。二级跑偏做停机信号,DDP-LJ2两级跑偏开关适用于皮带输送机,能使皮带输送机在皮带跑偏将导致严重挂边磨损甚至发生撕裂事故前就发出报警信号以及进一步的自动停车。 能及时有效的保护设备安全、避免事故扩大化,达到保障生产、保护设备的目的。另外由于信号可发送至控制系统,方便实现工厂自动化控制,因此又可达到减员增效,集中控制,利于生产与调度的目的。,将其接至控制线路中,即可实现停机。
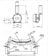
跑偏开关(Belt Sway Switches)又称防偏开关。是用于检测带式输送机输送带跑偏量的产品,对于输送带在出现跑偏的情况下起到自动警示和停机的一种保护装置。
跑偏开关有两级角度,一般常用的是:角度为:10、12、20.二级角度为:30、35、45.
适用范围
两级跑偏开关用于常规皮带输送机:地下、索道支撑皮带输送机:轮船装卸系统;堆垛/取料输送机;倾斜和梭式输送机;起重机、挖掘机,起重臂限位:裙边给料机/输送机:重型极限开关检测胶带的跑偏量,是实现胶带机控制的自动警示和停机的保护装置。广泛用于冶金、煤炭、水泥建材、采矿、电力、港埠、冶金、化工等领域的各种带式输送设备。
基本原理
1.跑偏开关设在输送带两侧,立辊应与输送带边平面垂直,并使输送带两边位于立辊高度1/3处。
2.跑偏开关立辊与输送带正常位置的间距宜为50~100mm。
3.跑偏开关数量应根据输送机长度、类型及布置情况进行确定。一般应在输送机头部、尾部、凸弧段、凹弧段和在输送机中间位置进行设置。(注:当输送机较长时, 两级跑偏开关安装和调整 1.跑偏开关设在输送带两侧,立辊应与输送带边平面垂直,并使输送带两边位于立辊高度1/3处。 2.跑偏开关立辊与输送带正常位置的间距宜为50~100mm。 3.跑偏开关数量应根据输送机长度、类型及布置情况进行确定。两级跑偏开关一般应在输送机头部、尾部、凸弧段、凹弧段和在输送机中间位置进行设置。(注:当输送机较长时,在输送机中间位置可每隔30~35米设1对) 4.跑偏开关应通过安装支架与输送机中间架连接,开关支架应在输送机安装完成后与输送机机架焊接,跑偏开关与跑偏开关支架用螺栓固定。,在输送机中间位置可每隔30~35米设1对)
4.跑偏开关应通过安装支架与输送机中间架连接,开关支架应在输送机安装完成后与输送机机架,跑偏开关与跑偏开关支架用螺栓固定。
使用环境条件:
1.环境温度:-40℃~60℃
2.相对湿度不大于85
3.海拨高度不超过2000m
4.使用寿命:开关动作10万次
5.绝缘电压:AC1000试验1分钟
6.触点容量:≤AC380 ≤
我们的经营宗旨:
以质量求生存,以信誉求发展,输送机在运行中,当皮带跑偏且与开关立辊接触时,立辊自转,若跑偏量继续加大,则挤压立辊发生偏移。一级开关信号用于报警,如果将此信号与跑调整装置相接,即可实现不停机状态下的跑偏自动调整。二级两级跑偏开关信号用于停机,将此信号接至控制线路中,即可实现重度跑偏状态下的自动停机。当故障排除后,胶带离开立辊正常运转时,立辊可自动复位。,不断超越顾客的期望和要求,
将是我们卓信不懈追求的目标!
真诚地为顾客提供的产品和满意的服务,
诚邀客商真诚合作、互惠互利,携手共创美好未来。
免费服务
1、售前对客户现场工况进行产品推荐,提供选型。
2、售中提供免费的安装调试指导。
3、售后问题开通绿色通道,两级跑偏开关适用范围 两级跑偏开关用于常规皮带输送机:地下、索道支撑皮带输送机:轮船装卸系统;堆垛/取料输送机;倾斜和梭式输送机;起重机、挖掘机,起重臂限位:裙边给料机/输送机:重型极限开关检测胶带的跑偏量,是实现胶带机控制的自动报警和停机的保护装置。两级跑偏开关广泛用于冶金、煤炭、水泥建材、采矿、电力、港埠、冶金、化工等领域的各种带式输送设备。,跟技术工程师直线交流,排除故障。
双向拉绳开关KLF2-2 厂价直销,现货,咨询订购。
售前免费咨询 雷帆
公司将一如既往秉着人和、礼貌、忠诚、努力、创新的经营理念为宗旨.打好品牌战略.服务客户。
人和:以人为本,建立客户与公司的双赢局面。
礼貌:以亲善有礼作为服务的zui高指导原则,为企业提高整体形象。
忠诚:激发全体员工的向心力,建立精神的服务团队。
努力:随时强化员工的在职学能,提升企业的竞争能力。
创新:跟随用户及市场变化要求,不断提高产品层次
拉绳开关LX-EH/BX(C:20-450V 10A)[卓信牌}
跑偏开关PP-EH/GS(C:20-450V 10A)【现货】
拉线开关ELAW-31,AC250V
KLT2-II拉绳开关用途【现货】
KPT1-20-35跑偏开关【现货】
XT-SS-2 打滑开关
拉绳开关HFKLT2-Ⅱ-S4
事故开关LA38-11MXS/r;220V
HFKLT2&nash;Ⅱ型双向拉绳开关
BF-LS-30T拉绳开关
FGE-30T拉绳开关
输煤皮带使用拉绳开关SPS-2
YHFLS-Z电厂专用拉绳开关
FKLT2-Ⅱ拉绳开关
SPS-2-FM防爆拉绳开关
YHL-IIA双向拉绳开关
HFKPT1-20-35皮带跑偏开关
HFKPT1-12-30跑偏开关
![]() |









