矿用防爆电磁锁S-30-I安装尺寸全网优惠价格
由于产品型号众多,我司各种电气规格型号齐全,有任何需求可以与我公司销售人员联系,生产各种规格型号的跑偏开关、拉绳开关、倾斜开关、打滑开关、失速开关、溜槽堵塞开关、声光报警器、限位开关、磁性开关、撕裂开关、料流开关等产品,产品适用范围广,用途多,产品销售国内外100多个国家和地区,销售电话:15163766288(微信同号)
矿用防爆电磁锁S-30-I安装尺寸,防爆电磁锁为一般矿用型结构,防护等级为 IP54,其置锁,解锁动作速度快,行程大,可靠性 高,性能稳定,抗砸强度好,工作电压范围广且为间断式瞬间性工作台,耗电极省,同时它使用时勿需改变矿原来的工作方式,还可直接使用矿井的127伏、220伏交流电压,安装、使用、维修亦极方便。
二、 型号含义
三、技术参数
防爆电磁锁的技术指标
a、工作电压:127V 220V AC ;
b、额定频率:50Hz;
c、主锁工作电流:0. 解锁;
付锁工作电流:0.3 置锁;
额定行程: 30mm;
操作次数:500次/小时;
额定动作时间:2分钟。
防爆电磁锁的使用环境条件
a、海拔高度不超过2000m;
b、工作环境温度-20℃40℃;
c、周围环境温度为25℃时,zui大相对湿度为95&plun;3;
、在无剧烈颠簸振动及与垂直平面倾斜度不超过5⪚;
e、在无甲烷和煤尘的场合;
f、没有导电尘埃及足以能腐蚀金属和破坏绝缘的气体场合;
g、无直接淋水的场合。
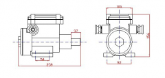
矿用防爆电磁锁S-30-I 安装尺寸
四、 防爆电磁锁的外形及安装尺寸
图1-1外形及安装尺寸
五、防爆电磁锁的工作原理及电气接线
(1)工作原理
S-30-1型电磁锁采用特殊结构,主锁副锁组成圈绕组,当主锁解锁信号时,产生强磁场吸引主锁芯后,由副锁将其锁住,实现解锁功能,当副线圈置锁信号时,吸引副锁芯,主锁芯自动释放,实现置锁功能。
(2)电气接线
电磁锁接线盒中有四个接线端子,如图1-2所示,接线时电缆穿过嗽叭口,解锁信号线接在接线端子1,2的接线柱上。置锁信号线接在接线端子3,4的接线柱上。矿用防爆电磁锁S-30-I安装尺寸如下图
图1-2
六、 选型表
表1-1 S-30系列电磁锁选型
型号
工作电压
主锁工作电流
付锁工作电流
额定行程
S-30-127
127V
0.8
0.48A
30mm
S-30-220
220V
0.8A
0.4A
30mm
七、使用注意事项:
1、安装使用时,应将电磁锁锁头垂直朝下。
2、电磁锁和锁槽的相对安装位置以电磁锁锁头进入锁槽15-20mm深度为宜,且锁头应处于锁槽的。
3、引入电磁锁接线腔的电缆外径宜先用ø8-ø12mm四芯电缆线。
4、本电磁锁为间断式工作,不可长期带动,以免烧毁。
5、电磁锁需检修时,应先断电开盖。
矿用防爆电磁锁S-30-I多少
,
矿用防爆电磁锁S-30-I生产商
买家必读
收到货时,无论包装是否破损,务必当面检查物品是否完好及缺少,有任何问题,立即与我取得。
本公司承诺:诚信待人,我们是生产,做的是发生意,均以出厂报价,没有暴利。低价位,高品质。1年品质保证。
物流:顺丰速运、申通快递、圆通快递、中通快递、天天快运、EMS邮政速运及公铁联运。
购买需知:
本公司上传产品型号规格有限,产品型号规格有多种,详情请来电资询。
产品质量承诺:
1、 产品的制造和检测均有质量记录和检测资料。
2、 对产品性能的检测,我们诚请用户亲临对产品进行全过程、全性能检查,待产品被确认合格后再装箱发货。
产品承诺:
1、为了保证产品的高可靠性和性,生产的产品选材均选用进口品牌。
2、在同等竞争条件下,我公司在不以降低产品技术性能、更改产品部件为代价的基础上,真诚以合理的提供给贵方。
交货期承诺:
产品交货期:一般常规格产品,,特殊产品需定制,按用户来样或图片参数要求定制,若有特殊要求,需提前完工的,我公司可特别组织生产、安装,力争满足用户需求。
![]() |





