煤矿门防爆电磁锁HD-954全网优惠价格
由于产品型号众多,我司各种电气规格型号齐全,有任何需求可以与我公司销售人员联系,生产各种规格型号的跑偏开关、拉绳开关、倾斜开关、打滑开关、失速开关、溜槽堵塞开关、声光报警器、限位开关、磁性开关、撕裂开关、料流开关等产品,产品适用范围广,用途多,产品销售国内外100多个国家和地区,销售电话:15163766288(微信同号)
煤矿门防爆电磁锁H-954
煤矿门防爆电磁锁H-954,化工专用防爆电磁锁
H-954防爆电磁锁为一般矿用型结构,防护等级为 IP54,其置锁,解锁动作速度快,行程大,可靠性 高,性能稳定,抗砸强度好,工作电压范围广且为间断式瞬间性工作台,耗电极省,同时它使用时勿需改变矿原来的工作方式,还可直接使用矿井的127伏、220伏交流电压,安装、使用、维修亦极方便。
H-954要适用于煤矿矿井无瓦斯喷出的井口门闭锁装置中,作为闭锁装置的执行机构,实行门置锁功能。还可用于煤矿井下无瓦斯喷出的井下配电峒室的闭锁,使用架线电机车运输的巷道及沿该巷道的主要机电峒室等处的井门闭锁。亦可单独使用。
售前服务
一、 提供技术咨询:我们会在zui快的时间以内,根据您的需要为您提供任何技术及方面的咨询、并且邮寄相关样品及产品资料,或者及时对于您所关心的任何问题给予快速回复等等。
二、提供考察接待:我们欢迎您随时随地莅临公司现场考察,并为您提供任何便利条件
售中服务
一、 无论您是国外的客户还是国内的客户,无论您是我们的老客户还是我们的新朋友,无论您的合同经额是大还是小,我们都将诚信、公平、热情、严谨地同一对待;
二、 我们保证守时、保质、保量地严格执行合同规定的各项条款,并且为客户提供的服务等。
售后服务
我们建立了售后服务信息处理系统,24小时跟踪客户。
一、 自购买之日起,提供各种技术培训。
二、 物流:顺丰快递、德邦物流等
运费说明
物流:顺丰快递、德邦物流。目的地:
技术参数
防爆电磁锁的技术指标
a、工作电压:127V 220V AC ;
b、额定频率:50Hz;
c、主锁工作电流:0. 解锁;
付锁工作电流:0.3 置锁;
额定行程: 30mm;
操作次数:500次/小时;
额定动作时间:2分钟。
防爆电磁锁的使用环境条件
a、海拔高度不超过2000m;
b、工作环境温度-20℃40℃;
c、周围环境温度为25℃时,zui大相对湿度为95&plun;3;
、在无剧烈颠簸振动及与垂直平面倾斜度不超过5⪚;
e、在无甲烷和煤尘的场合;
f、没有导电尘埃及足以能腐蚀金属和破坏绝缘的气体场合;
g、无直接淋水的场合。
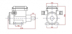
防爆电磁锁的外形及安装尺寸

图1-1外形及安装尺寸
防爆电磁锁的工作原理及电气接线
(1)工作原理
S-30-1型电磁锁采用特殊结构,主锁副锁组成圈绕组,当主锁解锁信号时,产生强磁场吸引主锁芯后,由副锁将其锁住,实现解锁功能,当副线圈置锁信号时,吸引副锁芯,主锁芯自动释放,实现置锁功能。
(2)电气接线
电磁锁接线盒中有四个接线端子,如图1-2所示,接线时电缆穿过嗽叭口,解锁信号线接在接线端子1,2的接线柱上。置锁信号线接在接线端子3,4的接线柱上。

图1-2
选型表
表1-1 S-30系列电磁锁选型
型号
工作电压
主锁工作电流
付锁工作电流
额定行程
S-30-127
127V
0.8
0.48A
30mm
S-30-220
220V
0.8A
0.4A
30mm
使用注意事项:
1、安装使用时,应将电磁锁锁头垂直朝下。
2、电磁锁和锁槽的相对安装位置以电磁锁锁头进入锁槽15-20mm深度为宜,且锁头应处于锁槽的。
3、引入电磁锁接线腔的电缆外径宜先用ø8-ø12mm四芯电缆线。
4、本电磁锁为间断式工作,不可长期带动,以免烧毁。
5、电磁锁需检修时,应先断电开盖。
![]() |





