HFKPT2-20-35防爆跑偏开关 价廉防爆防骗开关厂家
由于产品型号众多,我司各种电气规格型号齐全,有任何需求可以与我公司销售人员联系,生产各种规格型号的跑偏开关、拉绳开关、倾斜开关、打滑开关、失速开关、溜槽堵塞开关、声光报警器、限位开关、磁性开关、撕裂开关、料流开关等产品,产品适用范围广,用途多,产品销售国内外100多个国家和地区,销售电话:15163766288(微信同号)
HFKPT2系列两级跑偏开关系我公司组织科研人员开发研制的新一代产品,可用于输送机胶带跑偏的检测,防止由于胶带跑偏而造成物料溢出等故障。是输送机自动化控制不可缺少的传感元件。本产品由于安装方便、开关性能可靠,在输送机胶带中广泛应用。
一、主要用途及适用范围
HFKPT2系列两级跑偏开关系我公司组织科研人员开发研制的新一代产品,可用于输送机胶带跑偏的检测,防止由于胶带跑偏而造成物料溢出等故障。是输送机自动化控制不可缺少的传感元件。本产品由于安装方便、开关性能可靠,在输送机胶带中广泛应用。
二、技术性能和主要参数
产品型号 HFKPT1―□―□ 开关触点数量
1级为常开、2级为常闭 触点容量 AC 220V 380V ≤
开关动作角度
1级:10⪚ 12⪚ 20⪚; 2级:30⪚ 35⪚ 45⪚ ; 极限角度≤60⪚ 工作环境 相对湿度:≤90(25℃);海拔高度:2000M;工作温度:-30~+40℃
外壳材料 铝 防护等级 IP65 重量(kg) 2.0
接口方式
单出线口,也可定做双出线口。
三、结构特点 卓信HFKPT2-20-35防爆跑偏开关 价廉
1.本产品采用铝合金铸造壳体、强度高、重量轻。 2.外壳防护等级达到IP65,可在恶劣环境下长期工作。 3.本产品动作灵敏、稳定性高、性能可靠,DDP-LJ2两级跑偏开关适用于皮带输送机,能使皮带输送机在皮带跑偏将导致严重挂边磨损甚至发生撕裂事故前就发出报警信号以及进一步的自动停车。
能及时有效的保护设备安全、避免事故扩大化,达到保障生产、保护设备的目的。另外由于信号可发送至控制系统,方便实现工厂自动化控制,因此又可达到减员增效,集中控制,利于生产与调度的目的。,外形结构参见下图。
四、工作原理
当胶带运输机现场发生紧急事故时,两级跑偏开关适用范围 两级跑偏开关用于常规皮带输送机:地下、索道支撑皮带输送机:轮船装卸系统;堆垛/取料输送机;倾斜和梭式输送机;起重机、挖掘机,起重臂限位:裙边给料机/输送机:重型极限开关检测胶带的跑偏量,是实现胶带机控制的自动报警和停机的保护装置。两级跑偏开关广泛用于冶金、煤炭、水泥建材、采矿、电力、港埠、冶金、化工等领域的各种带式输送设备。, 两级跑偏开关安装和调整 1.跑偏开关设在输送带两侧,立辊应与输送带边平面垂直,并使输送带两边位于立辊高度1/3处。 2.跑偏开关立辊与输送带正常位置的间距宜为50~100mm。 3.跑偏开关数量应根据输送机长度、类型及布置情况进行确定。两级跑偏开关一般应在输送机头部、尾部、凸弧段、凹弧段和在输送机中间位置进行设置。(注:当输送机较长时,在输送机中间位置可每隔30~35米设1对) 4.跑偏开关应通过安装支架与输送机中间架连接,开关支架应在输送机安装完成后与输送机机架焊接,跑偏开关与跑偏开关支架用螺栓固定。,可拉动系于摆臂上的钢丝绳,使摆臂旋转而带动机内凸轮并感应微动开关,发出停机信号。
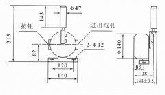
五、安装调整
1.将跑偏开关固定在支架上,然后安装在胶带机上。
2.立辊线与胶带平面垂直,边缘距离为L=50~100mm(壳体安装孔可移位。) 3.立辊下端1/3处。
4.每100m胶带可安装跑偏开关3对(6台)详见下图。
六、产品安装使用注意事项
1.产品外壳设有接地端子,用户在安装使用时可靠接地。 2.安装现场应不存在对铝合金有腐蚀作用的有毒气体。 3.产品的维修在场所进行,安装说明 1、两级跑偏开关底座两边各有Ф12mm孔,在皮带机旁角铁架钻Ф12mm孔,用M10×30mm螺丝紧固跑偏开关。 2、安装跑偏开关应选择输送装置易出现跑偏的位置处安装,参考应用单位工艺要求,同时要考虑皮带与挡轮的有效间距和推力,建议皮带与档轮间的安装距离为120-160mm。 3、安装距离:建议每50米安装一对跑偏开关。 4、跑偏开关出厂时配有长度0.5米四芯橡套电缆,芯线上配有1、2、3、4线号,其中1、2为常开接点是一级报警信号,3、4为常闭接点是二级停机信号。,或当现场确认无可燃性粉尘存在时方可进行。 4.本拉绳开关外壳保持清洁,粉尘堆积厚度不大于3mm。
七、订货须知
1、注明型号、数量、供货日期。 2、对开关触点数量有特殊要求时应予以注明。 3、覆塑钢丝绳及绳夹子、托绳环、安装支架。需单独订购。 注:订购时应予以注明。
矿用HFKPT2-20-35防爆跑偏开关 价廉
皮带跑偏开关HFKPT2-20-35防爆跑偏开关 价廉
行程开关盒FJK-110LE-HXJSN
TLS-ZR双向拉绳开关
TLS-I双向拉绳开关
TLS-II双向拉绳开关
FLK-Ⅱ双向拉绳开关
双向拉绳开关NTZH_9SLS-321
双向拉绳开关PJZS-3145S/2
拉绳开HFKLT2-II
双向拉绳开关S170-T-2
两级跑偏KPT2-Ⅱ
跑偏开关GML-KT360H/GS
拉绳开关GML-KT220H/GL
![]() |








