两级跑偏开关KBW-200P 触点容量200V/二级跑偏开关价格
由于产品型号众多,我司各种电气规格型号齐全,有任何需求可以与我公司销售人员联系,生产各种规格型号的跑偏开关、拉绳开关、倾斜开关、打滑开关、失速开关、溜槽堵塞开关、声光报警器、限位开关、磁性开关、撕裂开关、料流开关等产品,产品适用范围广,用途多,产品销售国内外100多个国家和地区,销售电话:15163766288(微信同号)
两级跑偏开关KBW-200P 触点容量200V/
HFKPT2系列两级跑偏开关系我公司组织科研人员开发研制的新一代产品,可用于输送机胶带跑偏的检测,防止由于胶带跑偏而造成物料溢出等故障。是输送机自动化控制不可缺少的传感元件。本产品由于安装方便、开关性能可靠,在输送机胶带中广泛应用。
山东卓信电气有限公司坐落于人杰地灵、九省通衢的山东省黄冈市,这里人才辈出、四面环省、交通四通八达,物流方便快捷。我们山东卓信拥有*高端的技术团队、而精湛的生产工艺、科学合理的管理模式、方便快捷的物流运输、近乎*的售后保证,倾力打造山东省的电气产品制造企业。你还在犹豫什么,如果你对某款产品感兴趣的话,赶快公司的进行咨询或订购吧!
两级跑偏开关KBW-200P 触点容量200V/结构特点
1.本产品采用铝合金铸造壳体、强度高、重量轻。
2.外壳防护等级达到IP65,可在恶劣环境下长期工作。
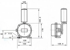
3.本产品动作灵敏、稳定性高、性能可靠,外形结构参见下图
两级跑偏开关KBW-200P 触点容量200V/安装示意图
主要用途及适用范围
HFKPT2系列两级跑偏开关系我公司组织科研人员开发研制的新一代产品,可用于输送机胶带跑偏的检测,防止由于胶带跑偏而造成物料溢出等故障。是输送机自动化控制不可缺少的传感元件。本产品由于安装方便、开关性能可靠,在输送机胶带中广泛应用。
技术性能和主要参数
产品型号 HFKPT1―□―□ 开关触点数量
1级为常开、2级为常闭 触点容量 AC 220V 380V ≤
开关动作角度
1级:10⪚ 12⪚ 20⪚; 2级:30⪚ 35⪚ 45⪚ ;
极限角度≤60⪚ 工作环境 相对湿度:≤90(25℃);
海拔高度:2000M;工作温度:-30~+40℃
外壳材料 铝 防护等级 IP65 重量(kg) 2.0
接口方式
单出线口,也可定做双出线口。
产品安装使用注意事项
1.产品外壳设有接地端子,用户在安装使用时可靠接地。
2.安装现场应不存在对铝合金有腐蚀作用的有毒气体。
3.产品的维修在场所进行,两级跑偏开关通用的安装设计可使跑偏检测装置随意安装在输送机纵梁顶部或底部位置;封闭、防腐、坚固的铸铝外壳。防护标准IP65,可在恶劣环境长期工作;两级跑偏开关不需要在拆除动作杆下,即可拆掉盖板进行维修;进口动作杆轴承,可长时在转速4000转/分下运作;动作角度12°时报警触点动作,动作角度30°时,即为停机信号输出。,或当现场确认无可燃性粉尘存在时方可进行。
产品售后服务
我公司是正规,凡在我公司购买的产品,自购买之日起,质保一年,如因为人为因素造成的产品损坏, 两级跑偏开关安装和调整 1.跑偏开关设在输送带两侧,立辊应与输送带边平面垂直,并使输送带两边位于立辊高度1/3处。 2.跑偏开关立辊与输送带正常位置的间距宜为50~100mm。 3.跑偏开关数量应根据输送机长度、类型及布置情况进行确定。两级跑偏开关一般应在输送机头部、尾部、凸弧段、凹弧段和在输送机中间位置进行设置。(注:当输送机较长时,在输送机中间位置可每隔30~35米设1对) 4.跑偏开关应通过安装支架与输送机中间架连接,开关支架应在输送机安装完成后与输送机机架焊接,跑偏开关与跑偏开关支架用螺栓固定。,两级跑偏开关通用的安装设计可使跑偏检测装置随意安装在输送机纵梁顶部或底部位置;封闭、防腐、坚固的铸铝外壳。防护标准IP65,可在恶劣环境长期工作;两级跑偏开关不需要在拆除动作杆下,即可拆掉盖板进行维修;进口动作杆轴承,可长时在转速4000转/分下运作;动作角度12°时报警触点动作,动作角度30°时,即为停机信号输出。,不在质保范围内。请参照产品使用说明书,安装说明 1、两级跑偏开关底座两边各有Ф12mm孔,在皮带机旁角铁架钻Ф12mm孔,用M10×30mm螺丝紧固跑偏开关。 2、安装跑偏开关应选择输送装置易出现跑偏的位置处安装,参考应用单位工艺要求,同时要考虑皮带与挡轮的有效间距和推力,建议皮带与档轮间的安装距离为120-160mm。 3、安装距离:建议每50米安装一对跑偏开关。 4、跑偏开关出厂时配有长度0.5米四芯橡套电缆,芯线上配有1、2、3、4线号,其中1、2为常开接点是一级报警信号,3、4为常闭接点是二级停机信号。,进行安装使用,产品上有明确的接线图,请按产品接线图接线,如在使用中有任何问题,可本公司,我厂交竭诚为您服务,选择卓信,选择品质。
以服务赢市场、以品质赢关注、以诚信赢客户。用的心,做的事、努力为客户创造价值。为制造商创造市场、为代理商经销商创造利润。我们会做到诚信经营.以高质量的产品.的服务面向广大客户.欢迎广大客户前来订购!
4.本拉绳开关外壳保持清洁,粉尘堆积厚度不大于3mm。
订货须知
1、注明型号、数量、供货日期。
2、对开关触点数量有特殊要求时应予以注明。
3、覆塑钢丝绳及绳夹子、托绳环、安装支架。需单独订购。
注:订购时应予以注明。
![]() |









